產品詢問 請詳細填寫下方表單資訊,廣錸儀器將在收到詢問後盡快回覆,謝謝您! 詢問產品品項 H系列夾具 氣動夾具 NAME 姓名 SALUTATION 稱謂 請選擇您的稱謂 先生 女士 COMPANY 公司名稱 ADDRESS 聯繫地址 E-MAIL 聯繫信箱 MOBILE / TEL 聯繫電話 CONTENT 請詳細描述您的意見與想法 VERIFICATION 驗證碼 重新填寫 寄送 產品詢問已送出 感謝您的耐心填寫,廣錸儀器將在收到詢問後盡快回覆! 返回產品頁
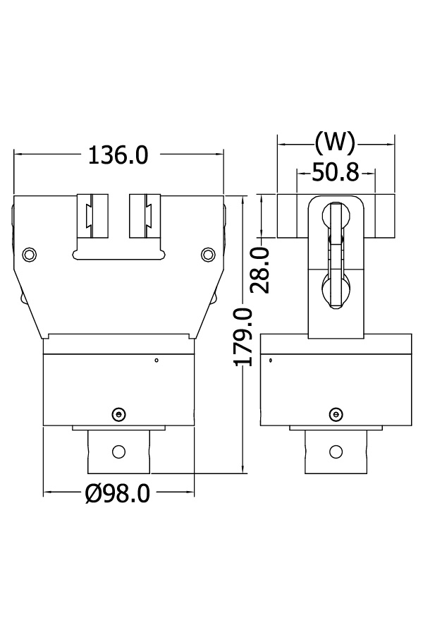
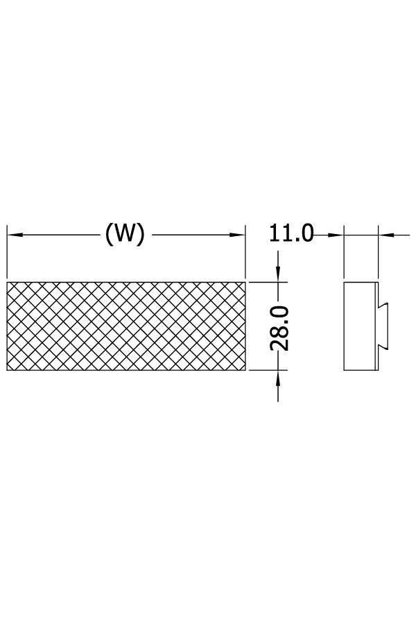
產品 夾具 H系列夾具 GR-H13A~C 氣動夾具 詢問本產品 產品簡介Description 容量 1kN 試片適用尺寸 厚度 0.1~12mm 最小荷重元 200N 適用溫度 -10~60°C 重量 3226g/個 夾面寬度 A: 76.2mm | B: 50.8mm | C: 25.4mm 夾面型式 金屬交叉紋 適用產業Industry 適用於布類、紙張、皮革、橡塑膠片材料試片測試 應用案例Application ASTM D882 薄膜拉伸試驗
GR-H13A~C 氣動夾具 詢問本產品 產品簡介Description 容量 1kN 試片適用尺寸 厚度 0.1~12mm 最小荷重元 200N 適用溫度 -10~60°C 重量 3226g/個 夾面寬度 A: 76.2mm | B: 50.8mm | C: 25.4mm 夾面型式 金屬交叉紋 適用產業Industry 適用於布類、紙張、皮革、橡塑膠片材料試片測試 應用案例Application ASTM D882 薄膜拉伸試驗
GR-H13A~C 氣動夾具 詢問本產品 產品簡介Description 容量 1kN 試片適用尺寸 厚度 0.1~12mm 最小荷重元 200N 適用溫度 -10~60°C 重量 3226g/個 夾面寬度 A: 76.2mm | B: 50.8mm | C: 25.4mm 夾面型式 金屬交叉紋 適用產業Industry 適用於布類、紙張、皮革、橡塑膠片材料試片測試 應用案例Application ASTM D882 薄膜拉伸試驗